VB-60: Nhà cung cấp bạc đạn UKF213 UCF213 UCP213 UCFC213,phớt,mỡ bò công nghiệp,xích tải,dụng cụ cân chỉnh đồng trục,máy gia nhiệt…chính hãng & hàng đầu tại Biên Hoà,Đồng Nai.VB-60: Nhà cung cấp bạc đạn UKF213 UCF213 UCP213 UCFC213,phớt,mỡ bò công nghiệp,xích tải,dụng cụ cân chỉnh đồng trục,máy gia nhiệt…chính hãng & hàng đầu tại Biên Hoà,Đồng Nai.VB-60: Nhà cung cấp bạc đạn UKF213 UCF213 UCP213 UCFC213,phớt,mỡ bò công nghiệp,xích tải,dụng cụ cân chỉnh đồng trục,máy gia nhiệt…chính hãng & hàng đầu tại Biên Hoà,Đồng Nai.
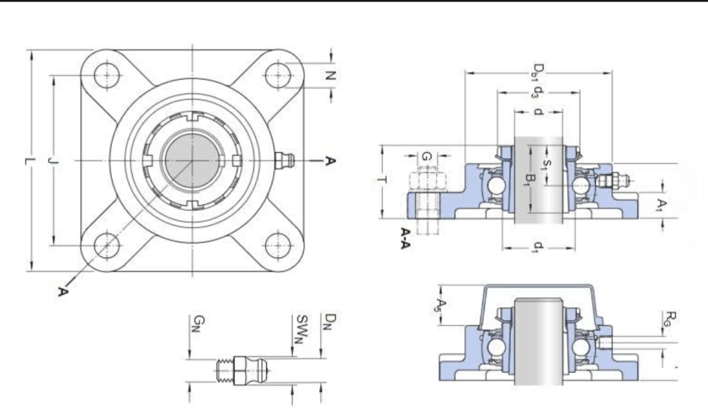
Đây là loại gối đỡ mặt bích hình vuông (Square Flange Unit), sử dụng vòng bi bên trong là dòng UK (lỗ côn) kết hợp với măng xông (adapter sleeve) để cố định vào trục.
Bảng thông số kỹ thuật Koyo UKF213
Đặc tính
Thông số
Đơn vị
Mã sản phẩm
UKF213
–
Thương hiệu
Koyo (JTEKT)
–
Loại gối đỡ
Mặt bích vuông (4 lỗ bắt vít)
–
Đường kính trục (d)
60 (khi dùng măng xông H2313)
mm
Chiều dài gối (L)
187
mm
Khoảng cách tâm lỗ (J)
149
mm
Độ dày vành (g)
22
mm
Tổng chiều cao (A)
50
mm
Kích thước vít bắt (Bolt)
M16
–
Mã vòng bi bên trong
UK213
–
Mã vỏ gối (Housing)
F213
–
Mã măng xông tương thích
H2313
–
Trọng lượng
Khoảng 5.2
kg
VB-60: Nhà cung cấp bạc đạn công nghiệp chính hãng & có kinh nghiệm tồn kho nhiều chủng loại bạc đạn công nghiệp,phục vụ ngay nhu cầu sửa chữa của các doanh nghiệp trên địa bàn
Bạn phải đăng nhập để bình luận.